Inbouwgegevens voor diverse radioinstallaties in diverse voertuigen

 

Op deze pagina kun je inbouwgegevens vinden van diverse radioinstallaties in diverse voertuigen.

Door op de thumbnails te klikken krijg je een uitvergroting te zien.

Grond-lucht installatie in Nekaf
Grond-lucht installatie in Nekaf

Grond-lucht installatie in Nekaf
Grond-lucht installatie in Nekaf

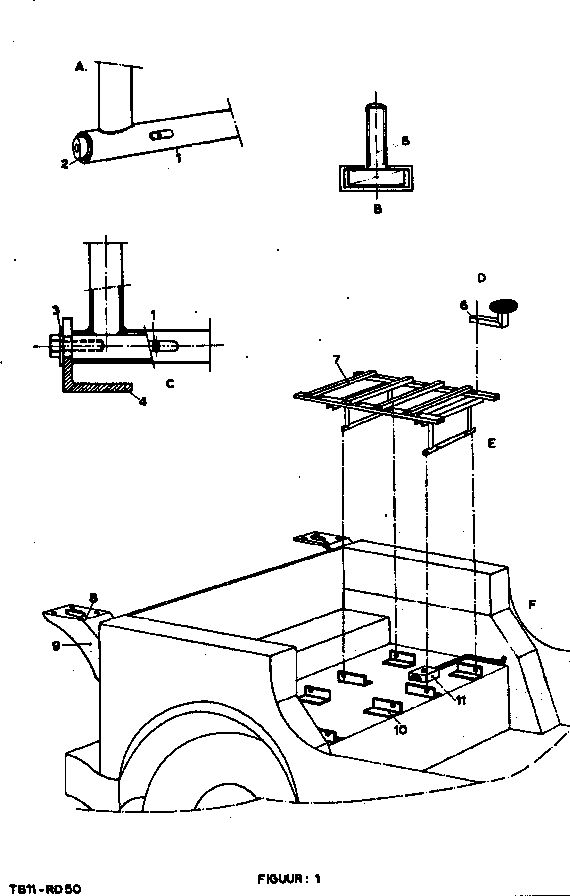
Montage rek in Munga
Montage rek in Munga

Diverse radioinstallaties in Munga
Diverse radioinstallaties in Munga

 

email mij

Hoofdindex